OldLocks.com

Making A Flat Bit Key Blank

Over time the availability of old fashioned style blanks becomes less and less and the only choice is to make the blank. If your locksmith cannot find or make one then you could be out of luck. The only option is to make the blank.

This is one of those jobs that starts with a craftsman that can make the blank key to fit and then go from there. They can either be made by casting white metal like pewter, or even brass or fabrication by shaping and brazing or welding. The method would depend on the person and their skills or available equipment. Many Jewelers have the skills and equipment to make the castings.

The quick and dirty method is to saw the blank out of material the thickness of the shank (3/16 to 3/8", 5 to 10mm), then grind and file to shape. A small milling machine or lathe could speed things up but the cost would be about the same, a significant part of a day's labor. Once a working key is fitted something fancier in brass could be made (if you wanted).

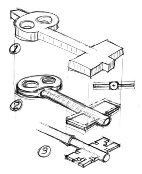
Making a blank from one piece

I would use common mild steel for strength and economy. Steel can also be shaped with a grinder without clogging the wheel.

The first step is to examine the lock and determine the dimensions of the blank. Measurements must be taken and a sketch of the blank made. The key hole shape will often tell you much. Depth measurements, need for a pilot, shoulders or not need to be determined just as in selecting a key blank.

The first step in making the blank is to transfer the layout to the piece of metal and saw out the profile. Layout can be done using machinists layout blue or thin lacquer and scribed into the paint and metal surface. A small hack saw will do the job. After sawing the blank it should be filed as true to the layout as possible. The drawing above has a small stub sticking out of the bow so it can be chucked in a small lathe and the shank turned.

The second step is to round the shank and thin the bits. All this can be done with a file and small bench grinder or a lathe and milling machine can be used. In either case a lot of filing will be required. The blank should be sanded until it has a smooth even flat finish. The better and flatter the finish, the easier it will be to fit the key to the lock.

The bow should be thinned to reduce weight but is not a critical part of the key. It can be drilled to lighten it or a pattern sawed out with a jewelers' saw. As much detail can be put into this as is desired but I would wait until the key has been fitted and tested.

The last step is to fit the key to the lock. This is done by traditional locksmithing methods of trial and error, trying the key and carefully examining the marks on the surface to know where to file.

Making a blank from pieces

Another method is to make the shank and bit from separate pieces then assemble them.

Here you start with a shank the proper diameter or machined to shape and a bit sawed from thin plate. The two pieces are fitted together then riveted, brazed or silver (hard) soldered together. To rivet the parts two or three small holes would be drilled through the assembled parts and slightly countersunk. Then tight fitting pins made of the same material would be driven through the parts and the ends hammered to fill the countersinks. The extra material would be filed flush to the surface.

All the above methods were used by the earliest locksmiths as well as forging and casting. Small lathes were used to shape shanks, cut curved wards in thick keys and drill the hole in hollow "drill" keys. But the vast majority of hand made keys were sawed, filed and chiseled from one or more pieces similar to the above.


Copyright © 2009 Jock Dempsey, OldLocks.com

[ Home | Links | Contact | Privacy Policy ]


Page Counter OldLocks GSC